截止阀的技术分解
2024/8/22
阀门技术分解-截止阀
截止阀阀体结构分类
直通形阀:
流动阻力大,压力降大;
角形阀:
弯头处,流动阻力小。
直流阀:
阀体与阀杆成45°,流动阻力小,压降也小,便于检修和更换。
针形阀:
阀瓣为锥形针形,阀杆通常用细螺纹以取得微量调节。
波纹管式:
用波纹管代替填料函
平衡式:
由内旁通或外旁通以减小或平衡阀瓣上下两侧压差。
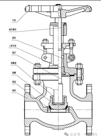
阀杆螺纹分类
上螺纹阀杆截止阀:阀杆的螺纹在阀体的外面
其优点是阀杆不受介质侵蚀,便于润滑,此种结构采用比较普遍。
下螺纹阀杆截止阀:阀杆的螺纹在阀体内
这种结构阀杆螺纹与介质直接接触,易受侵蚀,并无法润滑。此种结构用于小口径和温度不高的场合。
截止阀的特点
★流体阻力损失较大,因而限制了截止阀更广泛的使用。

