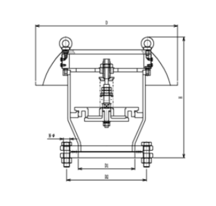
外槽呼吸阀 DA41L-2.5P
时间:2022/8/12
外槽呼吸阀主要安装在大型低温储槽顶部,以保持储槽内筒和外筒之间的压力在设定的压力范围之内,达到保护储槽的目的,具有密封可靠,开启灵敏的特点。

产品详情
技术参数:
公称通径:150 mm
公称压力:0.25MPa
开启压力:0.8~1.6KPa
真空开启压力:-0.28±0.2KPa
使用介质:LNG、LO2、LN2、LCO2等
使用温度:-60~+80℃
连接形式:法兰垂直安装
注意事项:忌油
使用材料
阀体、阀盖:不锈钢
阀顶:铝合金
连接法兰:不锈钢(JB/T81-94)

