静音止回阀DRVZ(H42X)
时间:2022/11/21
产品详情
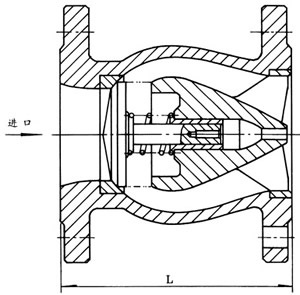
DRVZ、H42X静音止回阀由阀体、阀座、导流体、阀瓣、轴瓦及弹簧等零件组成。内部流道采用流线型设计,压力损失小,阀瓣启闭行程很短,停泵时可快速关闭,防止巨大的水锤声,形成静音效果。该阀主要用于给水、排水、消防、暖通系统,可安装于水泵出口处,防止介质倒流及水锤对泵的损坏。
主要技术参数
|
公称压力
|
1.0
|
1.6
|
2.5
|
|
最高工作压力
|
1.0
|
1.6
|
2.5
|
|
密封试验压力
|
1.1
|
1.76
|
2.75
|
|
壳体试验压力
|
1.5
|
2.4
|
3.75
|
|
适用介质
|
水
|
||
|
介质温度
|
X<80℃, T≤150℃, H≤200℃
|
||
主要零件材料
|
零件名称
|
材料
|
|
阀体、导流体
|
铸铁、铸钢
|
|
阀座、轴瓦、阀瓣、轴
|
青铜或不锈钢
|
|
弹簧
|
不锈钢
|

主要外形尺寸
|
公称通径
|
L
|
|
50
|
120
|
|
65
|
150
|
|
80
|
180
|
|
100
|
240
|
|
125
|
300
|
|
150
|
350
|
|
200
|
450
|
|
250
|
500
|
|
300
|
550
|
|
350
|
572
|
|
400
|
600
|
|
450
|
650
|
|
500
|
700
|

