气动调节蝶阀
时间:2022/11/21
产品详情
ZMAW气动薄膜调节蝶阀/ZSRW、ZSCW气动活塞调节蝶阀输入控制信号(4-20mADC或1-5VDC)气源即可控制运转,结构简单紧凑,加工方便,易制成大口径,具有自清洗作用,阻力系数小,流通能力大。适用于悬浮颗粒的流体及浓、浊浆状流体的调节。干净介质,可选用阀板加软密封(橡胶圈、四氟圈)来减少泄漏(可达0.01%),高温高压工况可选用三偏心硬密封阀体。订货时要予以注明即可。
气动调节蝶阀主要技术参数
|
公称通径 mm
|
50
|
80
|
100
|
125
|
150
|
200
|
250
|
300
|
350
|
400
|
450
|
500
|
600
|
700
|
800
|
900
|
1000
|
|
|
额定流量系数Kv
|
85
|
220
|
340
|
530
|
770
|
1360
|
2130
|
3060
|
4160
|
5450
|
6900
|
8500
|
12200
|
16600
|
21700
|
27540
|
34000
|
|
|
公称压力 MPa
|
0.6
|
|||||||||||||||||
|
额定转角 °
|
70
|
|||||||||||||||||
|
信号压力 KPa
|
20~100
|
|||||||||||||||||
|
流量特性
|
近似等百分比
|
|||||||||||||||||
|
介质温度 ℃
|
-20~200(常温) ; -40~450(中温) ; -40~600(高温)
|
|||||||||||||||||
|
接管法兰
|
按JB78-59对夹式法兰连接
|
|||||||||||||||||
|
信号连接螺孔
|
M16×1.5
|
|||||||||||||||||
|
配用执行机构
|
薄膜式
|
ZMA-2
|
ZMA-3
|
ZMA-4
|
ZMA-5
|
|
||||||||||||
|
活塞式
|
|
ZSC-45
|
||||||||||||||||
|
阀体材质
|
ZG230-450;1Cr18Ni9; ZG1Cr18Ni9Ti、ZGOCr18Ni12Mo2Ti
|
|||||||||||||||||
|
可配附件
|
手轮、定位器、空气过滤减压器等。
|
|||||||||||||||||
气动调节蝶阀主要零件材料及推荐使用温度范围
|
零件名称
|
材 料
|
温度范围℃
|
|
阀体 阀板
|
ZG230-450
|
-40-450
|
|
ZG1Cr18Ni9Ti
|
-250-550
|
|
|
ZG0Cr18Ni12Mo2Ti
|
|
注:此表为各种材料的极限使用温度,在实际选用中应根据其产品的介质温度范围,确定材料的***低,***高使用温度,其***低使用温度不得低于介质温度范围下限,***高使用温度不得高于介质温度范围的上限。
气动调节蝶阀薄膜式执行机构主要技术参数
|
型 号
|
ZMA-2
|
ZMA-3
|
ZMA-4
|
ZMA-5
|
|
有效面积 cm2
|
280
|
400
|
630
|
1000
|
|
行 程 mm
|
16
|
25
|
40
|
60
|
|
弹簧范围 KPa
|
20~100 ; 40~200 ; 20~60 ; 60~100
|
|||
气动调节蝶阀活塞式执行机构主要技术参数
|
型 号
|
活塞直径 mm
|
有效面积 cm2
|
***大行程 mm
|
***大操作压力 KPa
|
***大输出力 N
|
|
ZSC-45
|
250
|
484
|
60
|
500
|
21800
|
气动调节蝶阀性能指标
|
执 行 机 构
|
薄膜式执行机构
|
活塞式执行机构
|
|||||
|
类 别
|
不带定位器
|
带定位器
|
带定位器
|
||||
|
弹簧范围 KPa
|
|||||||
|
20~100 40~200
|
20~60 60~100
|
||||||
|
项 目
|
基 本 误 差%
|
±8
|
-
|
±2.0
|
±2.0
|
||
|
回 差%
|
6
|
-
|
2.0
|
2.0
|
|||
|
死 区%
|
5
|
-
|
0.8
|
0.8
|
|||
|
始终点偏差%
|
气 开
|
始点
|
±4.0
|
±4.0
|
±2.0
|
±
|
|
|
终点
|
±8
|
±8
|
|||||
|
气 关
|
始点
|
±8
|
±8
|
||||
|
终点
|
±4.0
|
±4.0
|
|||||
|
额定转角偏差%
|
±2.5
|
||||||
|
允许泄漏量1/h
|
2×10-2×阀的额定容量
|
||||||
气动调节蝶阀允许压差 MPa
|
配用执行机构型号
|
ZMA-2
|
ZMA-3
|
ZMA-4
|
ZMA-5
|
ZSC-45
|
||||||
|
0°
|
70°
|
0°
|
70°
|
0°
|
70°
|
0°
|
70°
|
0°
|
70°
|
||
|
公称通径mm
|
50
|
0.6
|
0.097
(0.22) |
|
|
|
|
|
|
|
|
|
80
|
0.6
|
0.038
(0.086) |
|
|
|
|
|
|
|
|
|
|
100
|
0.556
(0.6) |
0.0196
(0.0445) |
|
|
|
|
|
|
|
|
|
|
125
|
|
|
0.6
|
0.0250
(0.0542) |
|
|
|
|
|
|
|
|
150
|
|
|
0.444
(0.6) |
0.0150
(0.0314) |
|
|
|
|
|
|
|
|
200
|
|
|
0.185
(0.407) |
0.00587
(0.0129) |
|
|
|
|
|
|
|
|
250
|
|
|
|
|
0.331
(0.6) |
0.00845
(0.0175) |
|
|
|
|
|
|
300
|
|
|
|
|
0.181
(0.385) |
0.00461
(0.00983) |
|
|
|
|
|
|
350
|
|
|
|
|
0.133
(0.284) |
0.00292
(0.00622) |
|
|
|
|
|
|
400
|
|
|
|
|
|
|
0.216
(0.45) |
0.00485
(0.0101) |
|
|
|
|
450
|
|
|
|
|
|
|
0.171
(0.356) |
0.00341
(0.00741) |
|
|
|
|
500
|
|
|
|
|
|
|
0.139
(0.289) |
0.0025
(0.0052) |
|
|
|
|
600
|
|
|
|
|
|
|
|
|
0.6
|
0.019
|
|
|
700
|
|
|
|
|
|
|
|
|
0.6
|
0.0119
|
|
|
800
|
|
|
|
|
|
|
|
|
0.442
|
0.00795
|
|
|
900
|
|
|
|
|
|
|
|
|
0.339
|
0.00599
|
|
|
1000
|
|
|
|
|
|
|
|
|
0.236
|
0.00403
|
|
注:括号内数值为带定位器的允许压差。
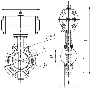
气动调节蝶阀主要外形尺寸
ZMAW气动薄膜调节蝶阀
外形尺寸
|
公称通径
|
D1
|
D2
|
L1
|
L2
|
n-d
|
H
|
H1
|
H2
|
D
|
L3
|
法兰端面距
|
|
50
|
110
|
|
92
|
200
|
4-14
|
637
|
582
|
382
|
280
|
278
|
60
|
|
80
|
150
|
125
|
92
|
200
|
4-18
|
644
|
582
|
382
|
280
|
278
|
|
|
100
|
175
|
145
|
102
|
210
|
654
|
280
|
278
|
||||
|
125
|
200
|
175
|
117
|
234
|
8-18
|
723
|
636
|
436
|
325
|
278
|
|
|
150
|
225
|
200
|
130
|
247
|
736
|
325
|
278
|
||||
|
200
|
280
|
255
|
172
|
287
|
763
|
325
|
278
|
70
|
|||
|
250
|
335
|
310
|
197
|
327
|
12-18
|
1008
|
853
|
615
|
410
|
376
|
|
|
300
|
395
|
362
|
227
|
351
|
12-23
|
1034
|
410
|
376
|
80
|
||
|
350
|
445
|
412
|
252
|
376
|
1059
|
410
|
376
|
||||
|
400
|
495
|
462
|
296
|
432
|
16-23
|
1238
|
1007
|
720
|
495
|
376
|
100
|
|
450
|
550
|
518
|
321
|
459
|
1266
|
495
|
376
|
||||
|
500
|
600
|
568
|
346
|
484
|
1291
|
495
|
376
|
||||
|
600
|
705
|
755
|
480
|
565
|
20-25
|
1486
|
1109
|
796
|
|
180
|
150
|
|
700
|
810
|
860
|
530
|
615
|
24-25
|
1539
|
|
180
|
|||
|
800
|
920
|
975
|
595
|
675
|
24-30
|
1596
|
|
180
|
200
|
||
|
900
|
1020
|
1075
|
685
|
770
|
24-30
|
1661
|
1124
|
|
180
|
||
|
1000
|
1120
|
1175
|
735
|
810
|
28-30
|
1711
|
1124
|
|
180
|
200
|
ZSRW、ZSCW气动活塞调节蝶阀

外形尺寸
|
公称通径DN
|
结构长度
(标准值) |
连接尺寸
|
|||||||||
|
L
|
H
|
H1
|
PN0.6MPa
|
PN1.0MPa
|
|||||||
|
毫米
|
英寸
|
法兰式
|
对夹式
|
D
|
D1
|
Z-d
|
D
|
D2
|
Z-d
|
||
|
50
|
2
|
108
|
43
|
100
|
400
|
140
|
110
|
4--14
|
165
|
125
|
4--18
|
|
65
|
21/2
|
112
|
46
|
115
|
420
|
160
|
130
|
4--14
|
185
|
145
|
4--18
|
|
80
|
3
|
114
|
49
|
120
|
138
|
190
|
150
|
4--18
|
200
|
160
|
8-18
|
|
100
|
4
|
127
|
56
|
130
|
524
|
210
|
170
|
4--18
|
220
|
180
|
8-18
|
|
125
|
5
|
140
|
64
|
150
|
570
|
240
|
200
|
8-18
|
250
|
210
|
8-18
|
|
150
|
6
|
140
|
70
|
170
|
743
|
265
|
225
|
8-18
|
285
|
240
|
8-22
|
|
200
|
8
|
152
|
76
|
200
|
767
|
320
|
280
|
8-18
|
340
|
295
|
8-22
|
|
250
|
10
|
165
|
76
|
235
|
790
|
375
|
335
|
12-18
|
395
|
350
|
12-22
|
|
300
|
12
|
178
|
83
|
300
|
890
|
440
|
395
|
12-22
|
445
|
400
|
12-22
|
|
350
|
14
|
190
|
92
|
325
|
954
|
490
|
445
|
16-22
|
505
|
460
|
16-22
|
|
400
|
16
|
216
|
102
|
355
|
1070
|
540
|
495
|
16-22
|
565
|
515
|
16-26
|
|
450
|
18
|
222
|
114
|
390
|
1140
|
595
|
550
|
20-22
|
615
|
565
|
20-26
|
|
500
|
20
|
229
|
127
|
420
|
1200
|
645
|
600
|
20-26
|
670
|
620
|
20-26
|
|
600
|
24
|
267
|
154
|
490
|
1380
|
755
|
705
|
24--26
|
780
|
725
|
20-30
|
|
700
|
28
|
292
|
165
|
550
|
1580
|
860
|
810
|
24--30
|
895
|
840
|
24--30
|
|
800
|
32
|
318
|
190
|
640
|
1760
|
975
|
920
|
24--30
|
1015
|
950
|
24--33
|
|
900
|
36
|
330
|
203
|
710
|
|
1075
|
1020
|
24--30
|
1115
|
1050
|
28-33
|
|
1000
|
40
|
410
|
216
|
770
|
|
1175
|
1120
|
28--30
|
1230
|
1160
|
28-36
|
|
1200
|
48
|
470
|
254
|
890
|
|
1405
|
1340
|
32-33
|
1450
|
1380
|
32-39
|

